产品中心
Products
产品中心
Products
公称通径:DN10mm~100mm及1/2'~4'
工作压力:0.25MPa~10.0MPa/150Lb~900Lb/10K~20K
工作温度:-196℃~816℃
采用标准:GB、DIN、API、ANSI、JIS、BS等
主要材质:304、316、316L、WCB及特材定制
驱动方式:手动、蜗轮、气动、电动、液动等
【性能参数】
型号 | H44H-16C~250 | H44W-16P~250 | |
工作压力(MPa) | 1.6~25 | ||
适用温度(℃) | ≤425 | ≤550 | |
适用介质 | 水、蒸汽、油品 | 弱腐蚀性介质 | |
材料 | 阀体、阀盖、阀瓣 | 碳素钢 | 铬镍钛不锈钢 |
密封面 | 碳钢堆焊铁基合金 | 本体密封 | |
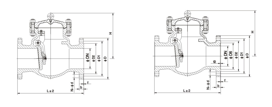
【主要外形和连接尺寸】
公称通径DN | 主要外形尺寸和连接尺寸 | ||||||
L | D | D1 | D2 | b | Z-d | H | |
H44H-16C H44W-16C H44W-16P H44W-16R H44W-16I | |||||||
25 | 160 | 115 | 85 | 65 | 16 | 4-14 | 100 |
32 | 180 | 135 | 100 | 78 | 16 | 4-18 | 105 |
40 | 200 | 145 | 100 | 85 | 16 | 4-18 | 115 |
50 | 230 | 160 | 125 | 100 | 16 | 4-18 | 135 |
65 | 290 | 180 | 145 | 120 | 18 | 4-18 | 142 |
80 | 310 | 195 | 160 | 135 | 20 | 8-18 | 165 |
100 | 350 | 215 | 180 | 155 | 20 | 8-18 | 180 |
125 | 400 | 245 | 210 | 185 | 22 | 8-18 | 210 |
150 | 480 | 280 | 240 | 210 | 24 | 8-23 | 233 |
200 | 500 | 335 | 295 | 265 | 26 | 12-23 | 304 |
250 | 550 | 405 | 355 | 320 | 30 | 12-25 | 348 |
300 | 650 | 460 | 410 | 375 | 30 | 12-25 | 390 |
350 | 750 | 520 | 470 | 435 | 34 | 16-25 | 430 |
400 | 850 | 580 | 525 | 485 | 36 | 16-30 | 468 |
H44H-25 H44W-25 H44W-25P H44W-25R H44W-25I | |||||||
25 | 160 | 115 | 85 | 65 | 16 | 4-14 | 100 |
32 | 180 | 135 | 100 | 78 | 16 | 4-18 | 105 |
40 | 200 | 145 | 110 | 85 | 16 | 4-18 | 115 |
50 | 230 | 160 | 125 | 100 | 20 | 4-18 | 160 |
65 | 290 | 180 | 145 | 120 | 22 | 8-18 | 175 |
80 | 310 | 195 | 160 | 135 | 22 | 8-18 | 185 |
100 | 350 | 230 | 190 | 160 | 24 | 8-23 | 220 |
125 | 400 | 270 | 220 | 188 | 28 | 8-25 | 248 |
150 | 480 | 300 | 250 | 218 | 30 | 8-25 | 276 |
200 | 550 | 360 | 310 | 278 | 34 | 12-25 | 350 |
250 | 650 | 425 | 370 | 332 | 36 | 12-30 | 410 |
300 | 750 | 485 | 430 | 390 | 40 | 16-30 | 430 |
350 | 850 | 550 | 490 | 448 | 44 | 16-34 | 518 |
400 | 950 | 610 | 550 | 505 | 48 | 16-34 | 560 |
【结构图片】
