对焊截止阀
【产品用途】
公司生产的J61H、J61Y、J61W 国标截止阀的启闭件是圆柱形的阀瓣,密封面呈平面或锥面,阀瓣沿流体的中心线作直线运动。国标截止阀只适用于全开和全关,一般不用来调节流量,定做时允许作调节和节流。
【产品特点】
1、结构简单,制造和维修比较方便
2、工作行程小,启闭时间短
3、密封性好,密封面间磨擦力小,寿命较长
满足流体控制要求的产品和服务
每个过程、每个设施以及每种环境约束都有自身的特殊要求。因此,我们提供了包含不同性能级别、压力、不同功能和不同材质的全面产品。
【执行标准】
设计规范:GB/T 12235
结构长度:GB/T 12221
法兰连接:JB/T 79
试验与检验:JB/T 9002
产品标识:GB/T 12220
供货规范:JB/T 7928
【性能参数】
型号 | J61H-16C~160C | J61Y-16C~160C | J61W-16P~160P | |
工作压力(MPa) | 1.6~16.0 | |||
适用温度(℃) | ≤425 | ≤150 | ||
适用介质 | 水、蒸汽、油品 | 弱腐蚀性介质 | ||
材料 | 阀体、阀盖 | 碳素钢 | 铬镍钛不锈钢 | |
阀杆 | 铬不锈钢 | 铬镍钛不锈钢 | ||
密封面 | 堆焊铁基合金 | 堆焊硬基合金 | 本体材料 | |
填料 | 石棉石墨、柔性石墨、聚四氟乙烯 | |||
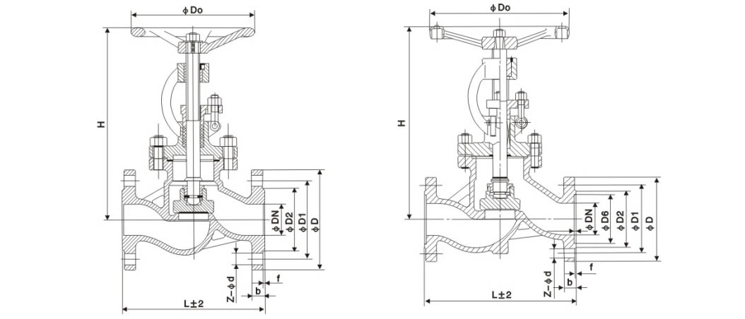
【主要外形和连接尺寸】
公称通径 | 主要外形尺寸和连接尺寸 | |||||||
L | D | D1 | D2 | b | Z-d | H | D0 | |
J61H-16C | ||||||||
15 | 130 | 95 | 65 | 45 | 14-2 | 4-Φ14 | 170 | 120 |
20 | 150 | 105 | 75 | 55 | 14-2 | 4-Φ14 | 190 | 140 |
25 | 160 | 115 | 85 | 65 | 14-2 | 4-Φ14 | 205 | 160 |
32 | 180 | 135 | 100 | 78 | 16-2 | 4-Φ18 | 270 | 180 |
40 | 200 | 145 | 110 | 85 | 16-3 | 4-Φ18 | 310 | 200 |
50 | 230 | 160 | 125 | 100 | 16-3 | 4-Φ18 | 358 | 240 |
65 | 290 | 180 | 145 | 120 | 18-3 | 4-Φ18 | 373 | 240 |
80 | 310 | 195 | 160 | 135 | 20-3 | 8-Φ18 | 435 | 280 |
100 | 350 | 215 | 180 | 155 | 20-3 | 8-Φ18 | 500 | 300 |
125 | 400 | 245 | 210 | 185 | 22-3 | 8-Φ18 | 614 | 320 |
150 | 480 | 280 | 240 | 210 | 24-3 | 8-Φ23 | 674 | 360 |
200 | 600 | 335 | 295 | 265 | 26-3 | 12-Φ23 | 811 | 400 |
250 | 650 | 405 | 355 | 320 | 30-3 | 12-Φ25 | 969 | 450 |
300 | 750 | 460 | 410 | 375 | 30-3 | 12-Φ25 | 1145 | 580 |
350 | 850 | 520 | 470 | 435 | 34-4 | 16-Φ25 | 1280 | 640 |
400 | 980 | 580 | 525 | 485 | 36-4 | 16-Φ30 | 1452 | 640 |
J61H-25C | ||||||||
15 | 130 | 95 | 65 | 45 | 16-2 | 4-Φ14 | 170 | 120 |
20 | 150 | 105 | 75 | 55 | 16-2 | 4-Φ14 | 190 | 140 |
25 | 160 | 115 | 85 | 65 | 16-2 | 4-Φ14 | 205 | 160 |
32 | 180 | 135 | 100 | 78 | 18-2 | 4-Φ18 | 270 | 180 |
40 | 200 | 145 | 110 | 85 | 18-3 | 4-Φ18 | 310 | 200 |
50 | 230 | 160 | 125 | 100 | 20-3 | 4-Φ18 | 358 | 240 |
65 | 290 | 180 | 145 | 120 | 22-3 | 8-Φ18 | 373 | 240 |
80 | 310 | 195 | 160 | 135 | 22-3 | 8-Φ18 | 435 | 280 |
100 | 350 | 230 | 190 | 160 | 24-3 | 8-Φ23 | 500 | 300 |
125 | 400 | 270 | 220 | 188 | 28-3 | 8-Φ25 | 614 | 320 |
150 | 480 | 300 | 250 | 218 | 30-3 | 8-Φ25 | 674 | 360 |
200 | 600 | 360 | 310 | 278 | 34-3 | 12-Φ25 | 811 | 400 |
250 | 650 | 425 | 370 | 332 | 36-3 | 12-Φ30 | 969 | 450 |
300 | 750 | 485 | 430 | 390 | 40-4 | 16-Φ30 | 1145 | 580 |
350 | 850 | 550 | 490 | 448 | 44-4 | 16-Φ34 | 1280 | 640 |
400 | 980 | 610 | 550 | 505 | 48-4 | 16-Φ34 | 1452 | 640 |
【结构图片】

这些设备适合应用于准确控制气体、液体、蒸汽等介质,工艺参数如压力、流量、温度、液位保持在给定值。特别适用于允许压差小,而允许泄漏量也较小压差不大的工作场合。