产品中心

Products

蜗轮不锈钢蝶阀
蜗轮不锈钢蝶阀

蜗轮不锈钢蝶阀

D343H 、D343W型三偏心多层次硬密封蝶阀广泛地应用到冶金、电力、石油、化工、空气、煤气、可燃气体以及给排水等腐蚀性介质的管道上。

 

【结构特点】

1、硬密封蝶阀采用三偏心硬密封结构,阀座与蝶板几乎无磨损,具有越观越紧的密封功能。

2、密封圈选用不锈钢制作,具有金属硬密封和弹性密封的双重优点,无论在低温和高温的情况下,均具有优良的密封性能,具有耐腐蚀,使用寿命长等特点。

3、蝶板密封面采用堆焊钴基硬质合金,密封面耐磨损,使用寿命长。

4、大规格蝶板采用绗架结构,强度高,过流面积大,流阻小。

5、根据用户需求,阀门供应网的硬密封蝶阀可以设计成具有双向密封功能,安装时不受介质流向的限制,也不受空间位置的影响,可在任何方向安装。

6、驱动装置可以多工位(旋转90°或180°)安装,便于用户使用。

 


产品详情

【标准规范】

设计制造标准:GB/T 12238-2008
   结构长度标准:GB/T 12221-2005
   连接法兰标准:GB/T 9113
   压力温度等级:GB/T 12224-2005
   试验检验标准:GB/T 13927-2008

【主要性能规范】

公称通径

DN(mm)

50-4000

公称压力

PN(MPa)

1.0

1.6

2.5

试验压力

强度试验

1.5

2.4

3.75

密封试验

1.1

1.76

2.75

气密封试验

0.6

0.6

0.6

【产品零部件材料】

型号

D343H-16

D343W-16P

D343W-16R

工作压力(MPa)

1.6

适用温度(℃)

≤425

≤200

适用介质

水、油或非腐蚀性介质

硝酸类介质

醋酸类介质

材料

阀体、蝶板

WCB

CF8/304

CF3M/316L

阀杆

2Cr13

304

316L

阀体密封面

堆焊507

蝶板密封面

304+柔性石墨

304+PTFE

304+PTFE

填料

柔性石墨

PTFE

PTFE

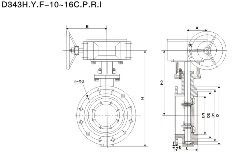
【主要外形和连接尺寸】

PN

DN

L

D

D1

D2

Z-d

b

f

H

H0

1.0

50

108

165

125

99

4-18

20

2

170

130

1.0

65

112

185

145

118

4-18

20

2

170

145

1.0

80

114

200

160

132

8-18

20

2

230

152

1.0

100

127

220

180

156

8-18

22

2

320

192

1.0

125

140

250

210

184

8-18

22

2

345

200

1.0

150

140

285

240

211

8-22

24

2

385

230

1.0

200

152

340

295

266

8-22

24

2

471

297

1.0

250

165

405

355

319

12-22

26

2

533

327

1.0

300

178

445

400

370

12-22

26

2

606

364

1.0

350

190

505

460

429

16-22

26

2

694

404

1.0

400

216

565

515

480

16-26

26

2

757

444

1.0

450

222

615

565

530

20-26

28

2

814

472

1.0

500

229

670

620

582

20-26

28

2

902

522

1.0

600

267

780

725

682

20-30

34

2

1048

590

1.0

700

292

895

840

794

24-30

34

5

1277

810

1.0

800

318

1015

950

901

24-33

36

5

1385

844

1.0

900

330

1115

1050

1001

28-33

38

5

1490

890

1.0

1000

410

1230

1160

1112

28-36

38

5

1620

950

1.6

50

108

165

125

99

4-18

20

2

170

130

1.6

65

112

185

145

118

4-18

20

2

170

145

1.6

80

114

200

160

132

8-18

20

2

230

152

1.6

100

127

220

180

156

8-18

22

2

320

192

1.6

125

140

250

210

184

8-18

22

2

345

200

1.6

150

140

285

240

211

8-22

24

2

385

230

1.6

200

152

340

295

266

12-22

24

2

471

297

1.6

250

165

405

355

319

12-26

26

2

533

327

1.6

300

178

460

410

370

12-26

28

2

606

364

1.6

350

190

520

470

429

16-26

30

2

694

404

1.6

400

216

580

525

480

16-30

32

2

757

444

1.6

450

222

640

585

548

20-30

40

2

814

472

1.6

500

229

715

650

609

20-33

44

2

902

522

1.6

600

267

840

770

720

20-36

54

2

1048

590

1.6

700

292

910

840

794

24-36

40

5

1277

810

1.6

800

318

1025

950

901

24-39

42

5

1385

844

1.6

900

330

1125

1050

1001

28-39

44

5

1490

890

1.6

1000

410

1225

1170

1112

28-42

46

5

1620

950

2.5

50

108

165

125

99

4-18

20

2

170

130

2.5

65

112

185

145

118

8-18

22

2

265

210

2.5

80

114

200

160

132

8-18

24

2

310

233

2.5

100

127

235

190

156

8-22

24

2

343

242

2.5

125

140

270

220

184

8-26

26

2

385

254

2.5

150

140

300

250

211

8-26

28

2

445

580

2.5

200

152

360

310

274

12-26

30

2

510

297

2.5

250

165

425

370

330

12-30

32

2

569

339

2.5

300

178

485

430

389

16-30

34

2

653

375

2.5

350

190

555

490

448

16-33

38

2

730

420

2.5

400

216

620

550

503

16-36

40

2

810

463

2.5

450

222

670

600

548

20-36

46

2

850

495

2.5

500

229

730

660

609

20-36

48

2

940

566

2.5

600

267

845

770

720

20-39

58

2

1150

630

2.5

700

292

960

875

820

24-42

58

5

1195

727

2.5

800

318

1085

990

609

24-36

58

5

1268

810

【结构图片】

11.png



相似产品
首页
产品
联系