产品中心
Products
产品中心
Products
【产品用途】
D373H、 D373Y 型对夹蝶阀采用精密的J形弹性密封圈和三偏心多层次金属硬密封结构,被广泛用于介质温度≤425℃的治金、电力、石油化工、以及给排水和市政建设等工业管道上,作调节流量和载断流体使用。
【产品特点】
1、对夹蝶阀采用三偏心密封结构,阀座与蝶板几乎无磨损,具有越观越紧的密封功能
2、密封圈选用不锈钢制作,具有金属硬密封和弹性密封的双重优点,无论在低温和高温的情况下,均具有优良的密封性能,具有耐腐蚀,使用寿命长等特点
3、蝶板密封面采用堆焊钴基硬质合金,密封面耐磨损,使用寿命长
4、大规格蝶板采用绗架结构,强度高,过流面积大,流阻小
5、对夹式硬密封蝶阀具有双向密封功能,安装时不受介质流向的限制,也不受空间位置的影响,可在任何方向安装
6、驱动装置可以多工位(旋转90°或180°)安装,便于用户使用
【性能参数】
型号 | D373H-10C~40 | D373H-10P~40 | |
D373Y-10C~40 | D373Y-10P~40 | ||
工作压力(MPa) | 1.0~4.0 | ||
适用温度(℃) | ≤300 | ||
适用介质 | 水、油品、蒸汽等 | ||
材料 | 阀体、蝶板 | 铸钢 | 奥氏体不锈钢 |
阀杆 | 40Cr | 奥氏体不锈钢 | |
密封面配对材料 | 不锈钢/不锈钢 | 不锈钢/司太立 | |
填料 | 柔性石墨 | 聚四氟乙烯 | |
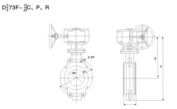
【主要外形和连接尺寸】
公称通径DN | 主要尺寸 | 法兰尺寸 | |||||||
1.0MPa | 1.6MPa | 2.5MPa | |||||||
L | H1 | H | D1 | n-Φd | D1 | n-Φd | D1 | n-Φd | |
50 | 43 | 255 | 340 | 125 | 4-18 | 125 | 4-18 | 125 | 4-18 |
65 | 46 | 280 | 370 | 145 | 4-18 | 145 | 4-18 | 145 | 4-18 |
80 | 49 | 285 | 385 | 160 | 4-18 | 160 | 4-18 | 160 | 4-18 |
100 | 56 | 310 | 430 | 180 | 4-18 | 180 | 4-18 | 190 | 4-22 |
125 | 64 | 310 | 440 | 210 | 4-18 | 210 | 4-18 | 220 | 4-26 |
150 | 70 | 315 | 475 | 240 | 4-23 | 240 | 4-22 | 250 | 4-26 |
200 | 71 | 380 | 590 | 295 | 4-23 | 295 | 4-22 | 310 | 4-26 |
250 | 76 | 460 | 710 | 350 | 4-23 | 355 | 4-26 | 370 | 4-30 |
300 | 83 | 475 | 725 | 400 | 4-23 | 410 | 4-26 | 430 | 4-30 |
350 | 92 | 510 | 830 | 460 | 4-23 | 470 | 4-26 | 490 | 4-33 |
400 | 102 | 550 | 900 | 515 | 4-25 | 525 | 4-30 | 550 | 4-36 |
450 | 114 | 590 | 970 | 565 | 4-25 | 585 | 4-30 | 600 | 4-36 |
500 | 127 | 610 | 1030 | 620 | 4-25 | 650 | 4-33 | 660 | 4-36 |
600 | 154 | 660 | 1150 | 725 | 4-30 | 770 | 4-36 | 770 | 4-39 |
700 | 165 | 730 | 1220 | 840 | 4-30 | 840 | 4-36 | 875 | 4-42 |
800 | 190 | 810 | 1300 | 950 | 4-34 | 950 | 4-39 | 990 | 4-48 |
900 | 203 | 930 | 1480 | 1050 | 4-34 | 1050 | 4-39 | 1090 | 4-48 |
1000 | 216 | 1020 | 1600 | 1160 | 4-34 | 1170 | 4-42 | 1210 | 4-56 |
【结构图片】