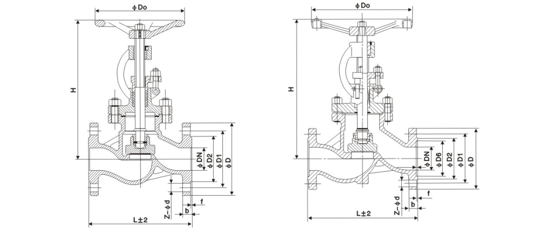
拉杆式外螺纹蝶阀
卫生级蝶阀属于卫生级阀门系列,其阀体经过数控车床精密加工和电子抛光处理,表面光滑无介质残留,通径与管道内径等径设计可减少流体阻力,适用于食品、制药、生物工程、化妆品及饮料等行业的流体控制。
规格:DN15~DN150及1"~6"
工作压力:0.6Mpa、1.0Mpa、1.6Mpa
材质:sus304、sus316L等各种不锈钢材质
制造标准:ISO/DIN/IDF/SMS/3A等
连接形式:焊接式,快装式,螺纹式,卡箍式,对夹式等
工作温度:-10℃~+100℃
适用介质:液体、气体、油品、各种高腐蚀化学介质
主要特点
1、设计新颖、合理、结构独特,重量轻,启闭迅速。
2、操力矩小,操作方便,省力灵巧。
3、可以任何位置安装,维修方便。
4、密封材料耐老化、耐腐蚀,使用寿命长等特点。
满足流体控制要求的产品和服务
每个过程、每个设施以及每种环境约束都有自身的特殊要求。因此,我们提供了包含不同性能级别、压力、不同功能和不同材质的全面产品。
联系我们
资料下载







下载