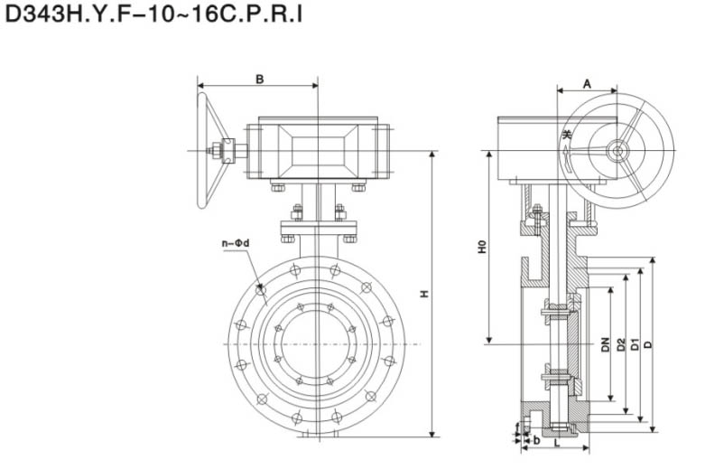
加长杆蝶阀
D373H、D373Y 型对夹蝶阀采用精密的J形弹性密封圈和三偏心多层次金属硬密封结构,被广泛用于介质温度≤425℃的治金、电力、石油化工、以及给排水和市政建设等工业管道上,作调节流量和载断流体使用。
【产品特点】
1、对夹蝶阀采用三偏心密封结构,阀座与蝶板几乎无磨损,具有越观越紧的密封功能;
2、密封圈选用不锈钢制作,具有金属硬密封和弹性密封的双重优点,无论在低温和高温的情况下,均具有优良的密封性能,具有耐腐蚀,使用寿命长等特点;
3、蝶板密封面采用堆焊钴基硬质合金,密封面耐磨损,使用寿命长;
4、大规格蝶板采用绗架结构,强度高,过流面积大,流阻小;
5、对夹式硬密封蝶阀具有双向密封功能,安装时不受介质流向的限制,也不受空间位置的影响,可在任何方向安装;
6、驱动装置可以多工位(旋转90°或180°)安装,便于用户使用;
满足流体控制要求的产品和服务
每个过程、每个设施以及每种环境约束都有自身的特殊要求。因此,我们提供了包含不同性能级别、压力、不同功能和不同材质的全面产品。
联系我们
资料下载








下载