产品中心
Products
产品中心
Products
【产品用途】
D943H 、D943W型电动三偏心多层次硬密封蝶阀广泛地应用到冶金、电力、石油、化工、空气、煤气、可燃气体以及给排水等腐蚀性介质的管道上。
【结构特点】
1、硬密封蝶阀采用三偏心硬密封结构,阀座与蝶板几乎无磨损,具有越观越紧的密封功能。
2、密封圈选用不锈钢制作,具有金属硬密封和弹性密封的双重优点,无论在低温和高温的情况下,均具有优良的密封性能,具有耐腐蚀,使用寿命长等特点。
3、蝶板密封面采用堆焊钴基硬质合金,密封面耐磨损,使用寿命长。
4、大规格蝶板采用绗架结构,强度高,过流面积大,流阻小。
5、根据用户需求,阀门供应网的硬密封蝶阀可以设计成具有双向密封功能,安装时不受介质流向的限制,也不受空间位置的影响,可在任何方向安装。
6、驱动装置可以多工位(旋转90°或180°)安装,便于用户使用。
【标准规范】
设计制造标准:GB/T 12238-2008
结构长度标准:GB/T 12221-2005
连接法兰标准:GB/T 9113
压力温度等级:GB/T 12224-2005
试验检验标准:GB/T 13927-2008
【主要性能规范】
公称通径 | DN(mm) | 50-4000 | ||
公称压力 | PN(MPa) | 1.0 | 1.6 | 2.5 |
试验压力 | 强度试验 | 1.5 | 2.4 | 3.75 |
密封试验 | 1.1 | 1.76 | 2.75 | |
气密封试验 | 0.6 | 0.6 | 0.6 | |
【产品零部件材料】
型号 | D943H-16 | D943W-16P | D943W-16R | |
工作压力(MPa) | 1.6 | |||
适用温度(℃) | ≤425 | ≤200 | ||
适用介质 | 水、油或非腐蚀性介质 | 硝酸类介质 | 醋酸类介质 | |
材料 | 阀体、蝶板 | WCB | CF8/304 | CF3M/316L |
阀杆 | 2Cr13 | 304 | 316L | |
阀体密封面 | 堆焊507 | - | - | |
蝶板密封面 | 304+柔性石墨 | 304+PTFE | 304+PTFE | |
填料 | 柔性石墨 | PTFE | PTFE | |
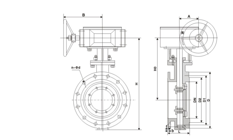
【主要外形和连接尺寸】
PN | DN | L | D | D1 | D2 | Z-d | b | f | H | H0 |
1.0 | 50 | 108 | 165 | 125 | 99 | 4-18 | 20 | 2 | 170 | 130 |
1.0 | 65 | 112 | 185 | 145 | 118 | 4-18 | 20 | 2 | 170 | 145 |
1.0 | 80 | 114 | 200 | 160 | 132 | 8-18 | 20 | 2 | 230 | 152 |
1.0 | 100 | 127 | 220 | 180 | 156 | 8-18 | 22 | 2 | 320 | 192 |
1.0 | 125 | 140 | 250 | 210 | 184 | 8-18 | 22 | 2 | 345 | 200 |
1.0 | 150 | 140 | 285 | 240 | 211 | 8-22 | 24 | 2 | 385 | 230 |
1.0 | 200 | 152 | 340 | 295 | 266 | 8-22 | 24 | 2 | 471 | 297 |
1.0 | 250 | 165 | 405 | 355 | 319 | 12-22 | 26 | 2 | 533 | 327 |
1.0 | 300 | 178 | 445 | 400 | 370 | 12-22 | 26 | 2 | 606 | 364 |
1.0 | 350 | 190 | 505 | 460 | 429 | 16-22 | 26 | 2 | 694 | 404 |
1.0 | 400 | 216 | 565 | 515 | 480 | 16-26 | 26 | 2 | 757 | 444 |
1.0 | 450 | 222 | 615 | 565 | 530 | 20-26 | 28 | 2 | 814 | 472 |
1.0 | 500 | 229 | 670 | 620 | 582 | 20-26 | 28 | 2 | 902 | 522 |
1.0 | 600 | 267 | 780 | 725 | 682 | 20-30 | 34 | 2 | 1048 | 590 |
1.0 | 700 | 292 | 895 | 840 | 794 | 24-30 | 34 | 5 | 1277 | 810 |
1.0 | 800 | 318 | 1015 | 950 | 901 | 24-33 | 36 | 5 | 1385 | 844 |
1.0 | 900 | 330 | 1115 | 1050 | 1001 | 28-33 | 38 | 5 | 1490 | 890 |
1.0 | 1000 | 410 | 1230 | 1160 | 1112 | 28-36 | 38 | 5 | 1620 | 950 |
1.6 | 50 | 108 | 165 | 125 | 99 | 4-18 | 20 | 2 | 170 | 130 |
1.6 | 65 | 112 | 185 | 145 | 118 | 4-18 | 20 | 2 | 170 | 145 |
1.6 | 80 | 114 | 200 | 160 | 132 | 8-18 | 20 | 2 | 230 | 152 |
1.6 | 100 | 127 | 220 | 180 | 156 | 8-18 | 22 | 2 | 320 | 192 |
1.6 | 125 | 140 | 250 | 210 | 184 | 8-18 | 22 | 2 | 345 | 200 |
1.6 | 150 | 140 | 285 | 240 | 211 | 8-22 | 24 | 2 | 385 | 230 |
1.6 | 200 | 152 | 340 | 295 | 266 | 12-22 | 24 | 2 | 471 | 297 |
1.6 | 250 | 165 | 405 | 355 | 319 | 12-26 | 26 | 2 | 533 | 327 |
1.6 | 300 | 178 | 460 | 410 | 370 | 12-26 | 28 | 2 | 606 | 364 |
1.6 | 350 | 190 | 520 | 470 | 429 | 16-26 | 30 | 2 | 694 | 404 |
1.6 | 400 | 216 | 580 | 525 | 480 | 16-30 | 32 | 2 | 757 | 444 |
1.6 | 450 | 222 | 640 | 585 | 548 | 20-30 | 40 | 2 | 814 | 472 |
1.6 | 500 | 229 | 715 | 650 | 609 | 20-33 | 44 | 2 | 902 | 522 |
1.6 | 600 | 267 | 840 | 770 | 720 | 20-36 | 54 | 2 | 1048 | 590 |
1.6 | 700 | 292 | 910 | 840 | 794 | 24-36 | 40 | 5 | 1277 | 810 |
1.6 | 800 | 318 | 1025 | 950 | 901 | 24-39 | 42 | 5 | 1385 | 844 |
1.6 | 900 | 330 | 1125 | 1050 | 1001 | 28-39 | 44 | 5 | 1490 | 890 |
1.6 | 1000 | 410 | 1225 | 1170 | 1112 | 28-42 | 46 | 5 | 1620 | 950 |
2.5 | 50 | 108 | 165 | 125 | 99 | 4-18 | 20 | 2 | 170 | 130 |
2.5 | 65 | 112 | 185 | 145 | 118 | 8-18 | 22 | 2 | 265 | 210 |
2.5 | 80 | 114 | 200 | 160 | 132 | 8-18 | 24 | 2 | 310 | 233 |
2.5 | 100 | 127 | 235 | 190 | 156 | 8-22 | 24 | 2 | 343 | 242 |
2.5 | 125 | 140 | 270 | 220 | 184 | 8-26 | 26 | 2 | 385 | 254 |
2.5 | 150 | 140 | 300 | 250 | 211 | 8-26 | 28 | 2 | 445 | 580 |
2.5 | 200 | 152 | 360 | 310 | 274 | 12-26 | 30 | 2 | 510 | 297 |
2.5 | 250 | 165 | 425 | 370 | 330 | 12-30 | 32 | 2 | 569 | 339 |
2.5 | 300 | 178 | 485 | 430 | 389 | 16-30 | 34 | 2 | 653 | 375 |
2.5 | 350 | 190 | 555 | 490 | 448 | 16-33 | 38 | 2 | 730 | 420 |
2.5 | 400 | 216 | 620 | 550 | 503 | 16-36 | 40 | 2 | 810 | 463 |
2.5 | 450 | 222 | 670 | 600 | 548 | 20-36 | 46 | 2 | 850 | 495 |
2.5 | 500 | 229 | 730 | 660 | 609 | 20-36 | 48 | 2 | 940 | 566 |
2.5 | 600 | 267 | 845 | 770 | 720 | 20-39 | 58 | 2 | 1150 | 630 |
2.5 | 700 | 292 | 960 | 875 | 820 | 24-42 | 58 | 5 | 1195 | 727 |
2.5 | 800 | 318 | 1085 | 990 | 609 | 24-36 | 58 | 5 | 1268 | 810 |
【结构图片】